HSB 产品介绍
| HSB-80-ZRS系列介绍 |
|
| 产品大类 | 齿形带驱动 |
| 参数 |
|
| 最大速度&加速度 | v = 8 m / s & a = 40 m /s² |
| 最大引导负荷 | F Z = 1500N |
| 最大进给力 | F X = 1350 N |
| 铝型材规格 | 铝型材80 x 80 mm,带6个凹槽,用于防锈导带 |
| 滚轮设计 | 12个HSB滚轮LR 20,额定动载荷Cdyn=1500 N,额定静载荷Cstat=600 N |
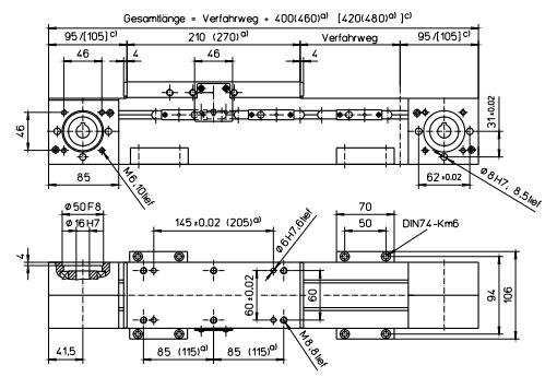
| 标准滑块长度 | 210毫米或270毫米,可能有特殊长度 |
| 每转行程 | 齿形皮带32AT5-E,44齿同步带轮= 220毫米/转 |
| 转动惯量 | 3,00 ∙10-3 kgm² |
| 怠速扭矩 | 1.5 Nm |
| 重复精度 | ± 0,08 mm |
| 不带行走路径的底座重量 | 5.5kg |
| 每100毫米的行程重量 | 0.6kg |
| 运输完成 210毫米重量 | 2.15kg |
| 运输完成 270毫米重量 | 2.7kg |
| 总长最大 | 8000mm |
| 竞争对手系列 | 无 |
| OEM(贴牌) | 无 |
| 应用场合 | 线性技术的机械方面 |
| 产品图片 |
|